202F 204F
202202F
204F
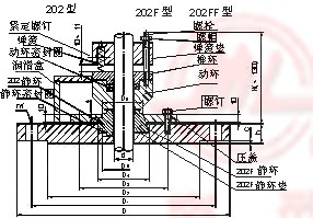
>>結構特征:202單端面、多彈簧、非平衡型;204單端面、多彈簧、平衡型。
>>適用工況:202、204 適用于各種弱腐蝕介質,密封泄漏要求不嚴的場合。使用時需在潤滑盒中加注潤滑油,水等干凈液體進行潤滑(202可承受一定的負壓);202F、204F適用于各種無液體潤滑工況下的軸封,如發酵罐,霉菌罐,反應釜等。
202、202F、204、204F型機械密封尺寸
d |
20 |
25 |
30 |
35 |
40 |
45 |
50 |
55 |
60 |
65 |
70 |
75 |
80 |
85 |
90 |
95 |
100 |
110 |
120 |
125 |
130 |
140 |
150 |
160 |
170 |
180 |
190 |
200 |
220 |
D |
78標 |
160 |
170 |
185 |
195 |
205 |
235 |
235 |
235 |
235 |
235 |
260 |
260 |
260 |
290 |
290 |
290 |
315 |
315 |
340 |
340 |
340 |
370 |
370 |
390 |
405 |
405 |
435 |
435 |
435 |
91標 |
|
|
235 |
260 |
315 |
370 |
435 |
485 |
D1 |
78標 |
130 |
140 |
150 |
160 |
170 |
200 |
200 |
200 |
200 |
200 |
225 |
225 |
225 |
255 |
255 |
255 |
280 |
280 |
300 |
300 |
300 |
320 |
320 |
350 |
355 |
355 |
395 |
395 |
395 |
91標 |
|
|
200 |
225 |
280 |
335 |
395 |
445 |
D2 |
78標 |
100 |
110 |
116 |
125 |
135 |
164 |
164 |
164 |
164 |
164 |
188 |
188 |
188 |
220 |
220 |
220 |
245 |
245 |
260 |
260 |
260 |
280 |
280 |
300 |
312 |
312 |
353 |
353 |
353 |
91標 |
|
164 |
188 |
245 |
298 |
353 |
403 |
D3 |
65 |
70 |
75 |
85 |
95 |
120 |
120 |
120 |
120 |
120 |
140 |
140 |
140 |
160 |
160 |
160 |
180 |
180 |
200 |
200 |
200 |
220 |
220 |
250 |
250 |
250 |
280 |
280 |
300 |
D4 |
202 |
50 |
55 |
60 |
65 |
70 |
75 |
80 |
85 |
90 |
97 |
102 |
107 |
112 |
117 |
122 |
127 |
132 |
142 |
152 |
157 |
162 |
172 |
182 |
-- |
-- |
-- |
-- |
-- |
-- |
202F |
42.5 |
47.5 |
52.5 |
57.5 |
62.5 |
67.5 |
72.5 |
79 |
85 |
91 |
96 |
102 |
108 |
113 |
119 |
124 |
129 |
140 |
152 |
157 |
164 |
176 |
187 |
201 |
216 |
226 |
240 |
250 |
270 |
D5 |
202 |
41 |
46 |
51 |
56 |
61 |
66 |
71 |
76 |
82 |
87 |
92 |
97 |
102 |
107 |
112 |
117 |
122 |
132 |
142 |
147 |
152 |
162 |
172 |
-- |
-- |
-- |
-- |
-- |
-- |
202F |
35 |
40 |
45 |
50 |
56 |
61 |
66 |
72 |
78 |
84 |
89 |
95 |
101 |
106 |
112 |
117 |
122 |
133 |
145 |
150 |
157 |
169 |
180 |
194 |
209 |
219 |
233 |
243 |
263 |
n-φ |
78標 |
4-φ12 |
4-φ18 |
8-φ18 |
12-φ18 |
12-φ23 |
91標 |
|
8-φ18 |
12-φ18 |
12-φ23 |
h |
78標 |
22 |
24 |
28 |
91標 |
24 |
26 |
28 |
30 |
C |
78標 |
4 |
91標 |
4.5 |
5 |
附:為改善攪拌軸的支承穩定性和提高使用性能,在選用202、202F、202FF、204、204F、204FF時,可選用下面的XT型帶限位套的調溫器或LT型不帶限位套的調溫器,選用時只須在原機械密封型號后加注XT或LT即可。 |