|
 根據類型分類 |
|
|
|
|

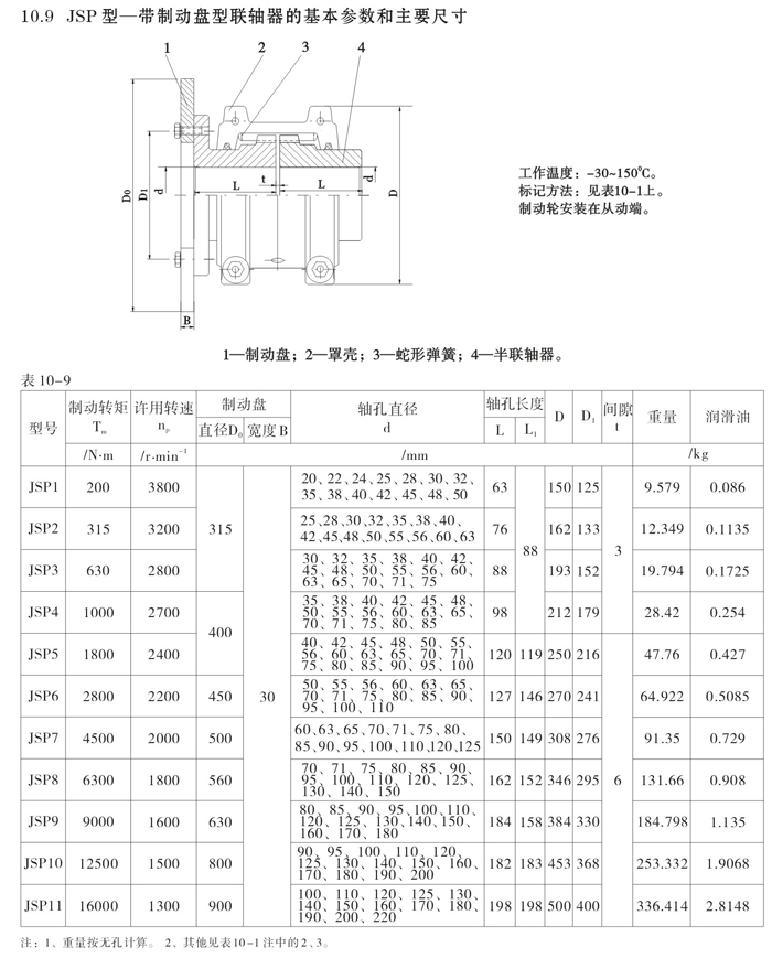
蛇形彈簧聯軸器,是一種結構先進的金屬彈性聯軸器,它靠蛇形彈簧片來傳遞扭矩,蛇形彈簧聯軸器是當今國際機械領最先進的軸聯接傳動部件,也是一種非常通用的軸聯接傳動部件蛇形彈簧聯軸器共有九類型式,分別是JS罩殼徑向安裝型(基本型)蛇形彈簧聯軸器、JSB罩殼軸向安裝型蛇形彈簧聯軸器、JSS雙法蘭聯接型蛇形彈簧聯軸器、JSD單法蘭聯接型蛇形彈簧聯軸器、SJS接中間軸型蛇形彈簧聯軸器、JSG高速型蛇形彈簧聯軸器、JSZ帶制動輪型蛇形彈簧聯軸器、JSP帶制動盤型蛇形彈簧聯軸器、JSA安全型蛇形彈簧聯軸器等。
蛇形彈簧聯軸器其主要結構是由兩個半聯軸節,兩個半外罩,兩個密封圈及蛇形彈簧片組成。它是靠蛇簧嵌入兩半聯軸節的齒槽內來傳遞扭矩,聯軸器以蛇形彈簧片嵌入兩個半聯軸節的齒槽內,來實現主動軸與從動軸的鏈接。運轉時,是靠主動端齒面對蛇簧的軸向作用力帶動從動端,來傳遞扭矩,如此在很大程度上避免了共振現象發生,且簧片在傳遞扭矩時所產生的彈性變量,使機械系統能獲得較好的減振效果,其平均減振率達36%以上。

JS型蛇形彈簧聯軸器是一種結構先進的金屬彈性聯軸器。它以蛇形彈簧片軸向嵌入兩半聯軸器的齒槽內,來實現原動機與工作機的聯接,由于簧片的特殊性能,從而很大程度上避免了原動機與工作機的共振現象,使用壽命遠高于非金屬彈性元件聯軸器;簧片所接觸的齒面為弧形,接觸面的大小隨傳遞扭矩的大小而變化,因而它能承受更大的載荷變動量,經測定其短時超載能力為額定扭矩的2~3倍,傳動效率達99.5%,運行安全可靠;且蛇形彈簧聯軸器的結構簡單,裝拆方便,允許有較大的安裝偏差,適用于沖擊式的碎煤機、蛇形彈簧聯軸器碎石機、曲柄往復運動、礦山、重型機械、減速機等。蛇形彈簧聯軸器是當今國際機械領域最先進的軸聯接傳動部件,也是一種非常通用的軸聯接傳動部件,它廣泛應用于各種機械及設備的軸傳動,凡是有馬達與軸相連、馬達與減速箱相弱或軸與軸相聯的地方都可應用。我國許多大型企業引進的成套進口設備的軸連接都采用它作為傳動部件,如:江蘇省儀征化纖公司和其它省市許多規模大小不同的化纖廠,每年都要花大量的外匯向日本購進備件以滿足每年設備檢修的需要。目前,我國的軸聯接部件仍處于三、四十年代的落后水平,主要還是以法蘭盤聯接作為軸傳動部件,蛇形彈簧聯軸器具有許多法蘭盤軸聯接無法比擬的優點,如:傳動精度高、吸振、噪音小、運轉平衡、安裝便捷,對被聯接的兩軸軸線平行度、同心度、方向誤差、偏角誤差等要求不高,蛇形彈簧能根據載荷變化自動調節其剛性大小。
滄州天碩聯軸器有限公司最新樣本分為萬向聯軸器樣本,剛性、彈性聯軸器樣本,精密聯軸器樣本,鼓形齒聯軸器樣本,脹緊聯結套樣本共五冊。電子樣本已經上傳到網上,你可以隨時下載,下載網址: http://www.jc0411.cn/yangben.htm,點擊一下相關鏈接,就可以免費下載電子樣本,下載PDF清晰版電子樣本下載后用Adobe
Reader 打開。
另外公司還提供了二維碼掃描下載,只要是用智能手機上的軟件掃描掃描一下二維碼,就可以打開網頁,將樣本下載到手機上。
如果需要印刷版樣本,請發傳真或郵件,免費索取,請注明:客戶姓名 單位名稱 聯系地址 聯系人電話號碼,信息不全的不予寄送。
索取印刷版樣本請發傳真到: 0317-8263317(自動接收) 8288876(人工接收)。
|